Описание
РОТОРНЫЕ ВОЗДУХОДУВКИ
Двухроторные воздуходувки серии LITHIUM Li представляют собой передовые генераторы вакуума и избыточного давления, обеспечивающие высокую производительность и надежную работу. Наш ассортимент включает в себя как генераторы вакуума, так и избыточного давления, с возможностью легкого перехода между версиями.
Эти воздуходувки обладают способностью создавать постоянные перепады давления, что делает их идеальным решением для таких задач, как конвейерный пневмотранспорт, рыбоводство и очистка отработанной воды. Надежная работа и высокая эффективность делают их неотъемлемой частью многих производственных процессов.
Широкий спектр типоразмеров позволяет подобрать оптимальную конфигурацию для адаптации к различным технологическим процессам с использованием вакуума. Наша серия LITHIUM Li предлагает решения, которые соответствуют самым высоким требованиям в вашей отрасли. Обращайтесь к нам прямо сейчас, чтобы узнать больше о наших воздуходувках и найти оптимальное решение для вашего бизнеса.
Работа воздуходувок
Принцип работы двухроторных воздуходувок LITHIUM Li основан на параллельной установке двух роторов в корпусе:
- Установка роторов: В корпусе воздуходувки располагаются два ротора, каждый из которых имеет три лопасти.
- Вращение роторов: Роторы запускаются во вращение, причем направление вращения каждого ротора противоположно друг другу.
- Захват среды: В процессе вращения лопастей роторов происходит захват воздушной или газовой среды через входной отверстие в корпусе воздуходувки.
- Транспортировка среды: Под действием вращения роторов захваченная среда перемещается вдоль корпуса воздуходувки, при этом происходит ее транспортировка к выходному отверстию.
- Высвобождение среды: По достижении выходного отверстия среда высвобождается через выходной глушитель, обеспечивая необходимый поток воздуха или газа.
Этот принцип действия обеспечивает эффективную перекачку среды и делает двухроторные воздуходувки LITHIUM Li надежным и эффективным решением для многих промышленных приложений.
Применение воздуходувки
Двухроторные воздуходувки серии LITHIUM Li находят широкое применение в различных отраслях промышленности и сферах деятельности благодаря своей высокой производительности, надежности и эффективности.
- Конвейерный пневмотранспорт: Воздуходувки LITHIUM Li эффективно используются для создания вакуума или избыточного давления в системах конвейерного пневмотранспорта, обеспечивая надежную транспортировку различных материалов, таких как зерно, порошки, пластмассовые гранулы и т. д.
- Рыбоводство: Эти воздуходувки могут применяться в аквакультуре для обеспечения вентиляции и аэрации воды в прудах или бассейнах, что способствует улучшению качества воды и условий обитания рыбы.
- Очистка отработанной воды: Воздуходувки LITHIUM Li могут использоваться в системах очистки сточных вод для аэрации и перемешивания водных растворов, облегчая процессы очистки и повышая эффективность работы очистных сооружений.
- Производство пластмасс и резины: В данной отрасли эти воздуходувки могут применяться для вентиляции и охлаждения производственного оборудования, а также для подачи воздуха в процессах формования и экструзии пластмасс и резины.
- Промышленные процессы: Воздуходувки LITHIUM Li могут использоваться в широком спектре промышленных процессов, таких как вакуумная дегазация, вентиляция и аэрация, подача воздуха для сжигания или окисления, обработка материалов и многое другое.
Благодаря универсальности и эффективности двухроторных воздуходувок LITHIUM Li, они могут использоваться в различных отраслях промышленности для обеспечения необходимых вентиляционных или вакуумных процессов.
Характеристика воздуходувки
| Тип | Быстрота действия, м³/ч | Номинальная мощность электромотора, кВт | Максимальный перепад давлений, мбар | Масса со свободным валом, кг | Масса без кожуха, кг | Масса с кожухом, кг |
|---|---|---|---|---|---|---|
| Li0055AP/AV | 26-315 | 1,1-15,0 | +1000/-500 | 46 | 280 | 580 |
| Li0065AP/AV | 63-538 | 1,1-22,0 | +1000/-500 | 56 | 340 | 640 |
| Li0080AP/AV | 250-804 | 2,2-37,0 | +1000/-500 | 115 | 590 | 1090 |
| Li0100AP/AV | 373-1218 | 3,0-45,0 | +1000/-500 | 135 | 700 | 1200 |
| Li0125AP/AV | 402-1830 | 4,0-75,0 | +1000/-500 | 300 | 1260 | 2060 |
| Li0150AP/AV | 672-2964 | 7,5-110,0 | +1000/-500 | 361 | 1680 | 2480 |
| Li0175AP/AV | 1014-4032 | 11,0-132,0 | +1000/-500 | 405 | 1920 | 2820 |
| Li0200AP/AV | 1788-5292 | 11,0-185,0 | +1000/-500 | 735 | 3000 | 4300 |
| Li0250AP/AV | 2484-6780 | 15,0-200,0 | +1000/-500 | 865 | 3200 | 4500 |
| Li0290AP/AV | 4272-9432 | 30,0-280,0 | +1000/-500 | 1350 | 3900 | 5500 |
| Li0300AP/AV | 5046-11064 | 30,0-280,0 | +1000/-500 | 1460 | 4000 | 5700 |
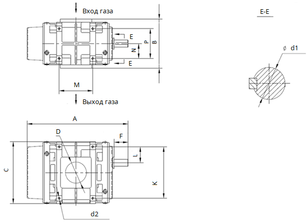
РАЗМЕРЫ БЛОКА ВОЗДУХОДУВКИ

| Тип | A, мм | B, мм | C, мм | D | d1 | d2 | M, мм | N, мм | P, мм | L, мм | K, мм | F, мм |
|---|---|---|---|---|---|---|---|---|---|---|---|---|
| Li0050AO | 404 | 173 | 249 | 37×68* | 30 | M12 | 85 | 54 | 108 | 54 | 184 | 70 |
| Li0065AO | 479 | 173 | 249 | 50×140* | 30 | M12 | 160 | 54 | 108 | 54 | 184 | 70 |
| Li0080AO | 514 | 250 | 362 | 75×110* | 42 | M12 | 120 | 87,3 | 174,6 | 92,8 | 300 | 84 |
| Li0100AO | 590 | 250 | 362 | 90×125* | 42 | M12 | 196,5 | 87,3 | 174,6 | 92,8 | 300 | 84 |
| Li0125AO | 735 | 360 | 483 | 125 | 60 | M16 | 214 | 116,5 | 233 | 124 | 400 | 112 |
| Li0150AO | 887 | 360 | 483 | 150 | 60 | M16 | 365 | 116,5 | 233 | 124 | 400 | 112 |
| Li0175AO | 1030 | 360 | 483 | 175 | 60 | M16 | 510 | 116,5 | 233 | 124 | 400 | 112 |
| Li0200AO | 1112,5 | 505 | 680 | 200 | 85 | M16 | 470 | 155 | 310 | 155 | 530 | 160 |
| Li0250AO | 1252,5 | 505 | 680 | 250 | 85 | M16 | 600 | 155 | 310 | 155 | 530 | 160 |
| Li0290AO | 1342 | 655 | 900 | 300 | 100 | -** | 840 | -** | 530 | -** | -** | 170 |
| Li0300AO | 1452 | 655 | 900 | 300 | 100 | -** | 840 | -** | 530 | -** | -** | 170 |
**-по запросу


